Product
Arm Span
  • no limit
  • Within 1.5 meters
  • Within 2 meters
  • Within 2.5 meters
  • Within 3 meters
  • Within 4 meters
Load
  • no limit
  • Within 10kg
  • Within 30kg
  • Within 50kg
  • Within 100kg
  • Within 200kg
  • Within 400kg
Selection tool
Hey, hello
What can I do to help?

Leave us a message

Please leave a message

CRP-RH35-100
Describe
FUNCTIONAL FEATURES
  • Arm span 3.5 meters, high rigidity,strong load capacity, more stable operation.

  • With a hollow arm structure and a built-in wrist cable, there is no need to consider the interference caused by external winding with neighboring robots or peripheral equipment.

  • Arm motor built-in, simple appearance, suitable for small space operation, more flexible movement.

  • According to the user's use scenario, provide a variety of optional configurations, can be used for spot welding,handling, grinding,assembly and other production lines. 

  • The main cable adopts the special cable for flexible robot.

  • Built-in three-phase filter to effectively improve EMC and EMl performance.

  • The use of high-speed, high-overload capacity servo motor, high-precision RV reducer and the late stanti-vibration control strategy, shorten the pitch operation time and significantly reduce the cycle time.

ROBOT BODY TECHNICAL PARAMETERS

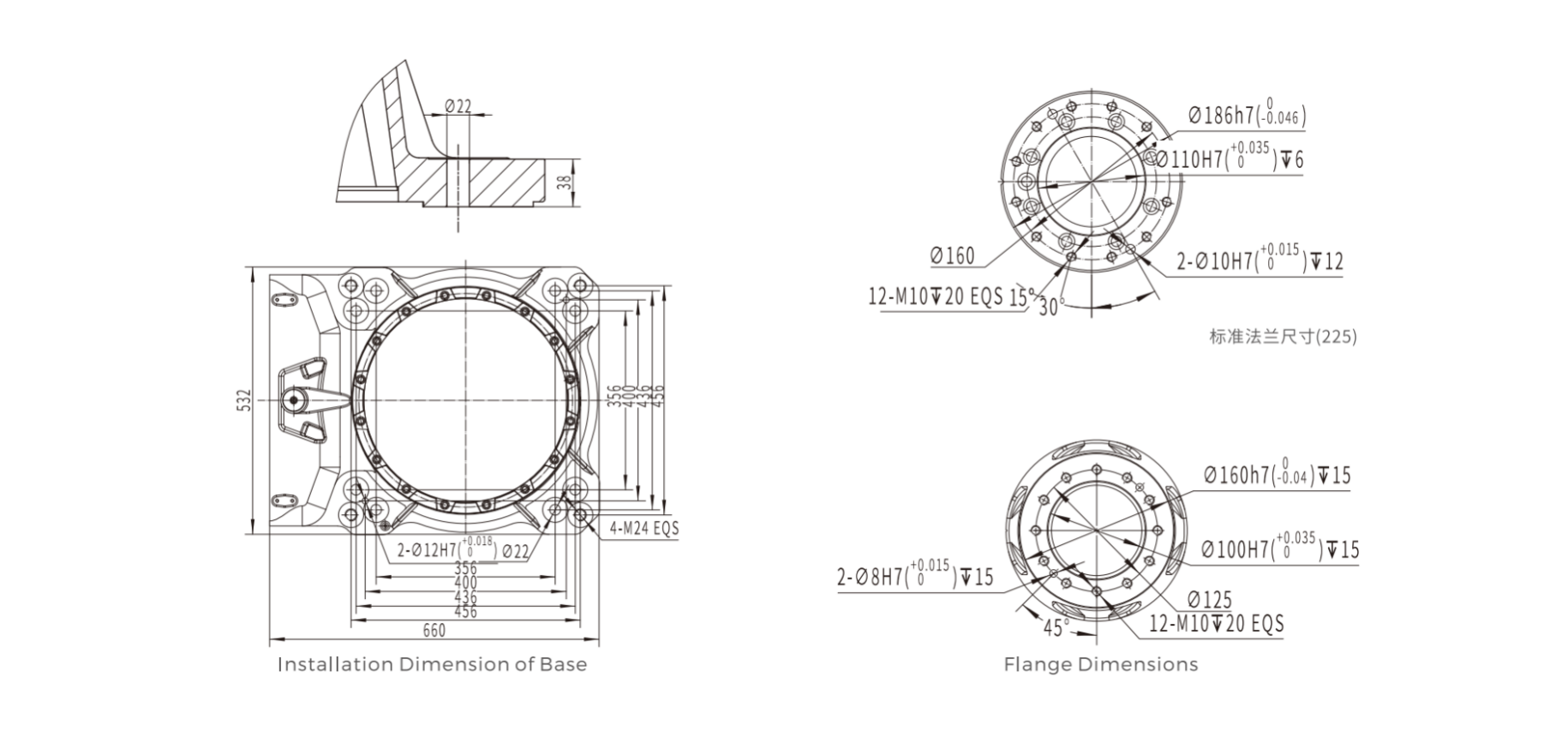
INSTALLATION INTERFACE DIAGRAM

MOTION RANGE DIAGRAM