产品
xpj官网电竞焊接/搬运专家
始于焊接,不止于焊接
始于焊接,不止于焊接
• 结构精巧灵活,运行速度快、传动精度高、噪声小。
• 机器人高刚性臂设计,可以在一个包装中同时实现高负载和高速度。
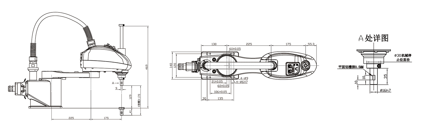
• 400毫米臂长规格,3kg有效负载。
• 适配G12电柜,提供24路自定义IO。
• 支持串口、网络、USB等多种接口形式。
• 适用于搬运、码垛、装配、3C等多种应用场合。


